





Cup dispense mechanism
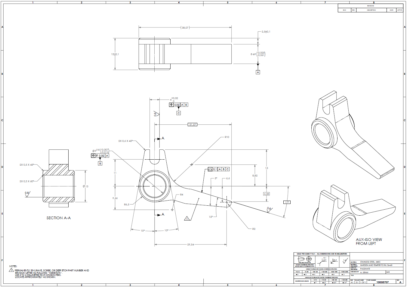
I redesigned an existing linkage-based dispense mechanism due to wear issues. The drive cylinder has a cam plate, each side of the mechanism has a cam follower driven by the cam plate. The vertical motion is converted into rotary motion by a cam/linkage combo.. cam "thumbs" guide spring-loaded followers mounted to each linkage bar.

Assembly
Base gripper sub-assembly, each hardened stainless steel base gripper has a miniature needle bearing.